Advanced Materials Lecture Links

Rod Lakes
Piezo
Titles Extreme Neg. Stiffness go
BaTiO3 go
Adv Composites
HiStif
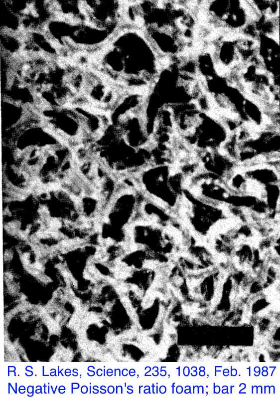
Foam -B Bio
Poisson

Earth
Negative Poisson's ratio / modulus
Coupled fields
Viscoelasticity go
Material freedom 1 2

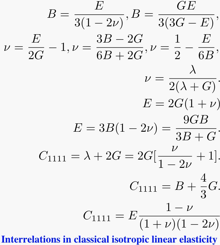
Elasticity
Range of Poisson's ratio allowed, interrelations observed, in elements; order
Intro
Cell 1, Cell 2, more cells, Normal Cu Foam, Re-entrant Cu Foam, 2, Normal Silicone Foam, Re-entrant Silicone Foam,
Diagrams
Normal honeycomb
Re-entrant honeycomb
Normal foam 1, 2
Re-entrant foam 1, 2
Atomic scale in cristobalite
Normal foam: detail
Re-entrant foam: detail
Poisson vs. strain, E, G, nu
micro-cell Poisson
micro-cell structure
Chiral honeycomb structure, properties, comparison
Chiral honeycomb deformation

Phase SiO2, BaTiO3, InSn, 1, gel, RUS
Relaxation, PMMA foam
Applications, indent, SqueezeBlock, SCF, SCF2, interrelations, Intro
hierarchical laminate
Milton map, expanded map
H-S, G H-S, K, H-S, G graph , H-S, Poi graph , H-R, Poi graph
Experiment / theory
High thermal expansion
Other systems

Generalized Elasticity
Freedom in materials
Composite structure
Rationale 1, 2
Cosserat equations
characteristic lengths
twist, bend
Foam size effect, dense
Elastic constants, dense foam
Bone size effect, bovine
Bone elastic constants
Strain concentration reduction
Strain distribution
Corner element: why spill over
Corner element in continuum
Corner element in rubber
Corner element in foam
Warp in fibrous medium
Warp by holography
Warp by theory
Experiment / theory
Chiral structure
Chiral equations
Chiral stretching
Nonlocal elasticity

Structural Hierarchy
0, 1, 2, 3, 4, 5, 6, 7

Viscoelasticity
Spring damper model which gives single exponential relaxation.
Single exponential relaxation E(t) on a log scale.
Think logarithmic
Think logarithmic, big
Phase delta. Stress vs. strain in sinusoidal loading. Meaning of the loss tangent.
Demonstrations.
Stiffness / loss plot.

Broadband viscoelastic spectroscopy (BVS) and Resonant Ultrasound Specroscopy (RUS)
BVS Instrument diagram
slow
fast
BVS Instrument
BVS Instrument functions
BVS Instrument chamber
RUS diagram
RUS image

Viscoelastic composites
Composite structure.
Bounds on composite stiffness.
Stiffness loss map, theory
Stiff-loss shape
Stiff-loss stiff phase
Stiff-loss hierarchy
Stiffness loss map, FEM
Stiffness loss map, FEM

Viscoelastic Materials
Causal mechanisms
Coupled fields
PMMA (Polymethy methacrylate) Viscoelasticity. A broadband spectrum.
PMMA 2
Indium-Tin Viscoelasticity. A broadband spectrum.
InSn and models
SiC-InSn spectrum
SiC-InSn stiff loss
PMMA various temperature
PMMA master curve
PMMA inverse delta

Extreme Composites, negative stiffness inclusions
Voigt, Reuss concept
Non-monotonic
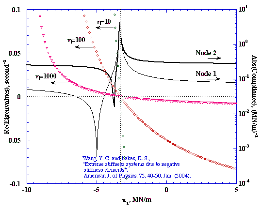
Lumped negative stiffness
Theory plots negative stiffness - PRL
Proof
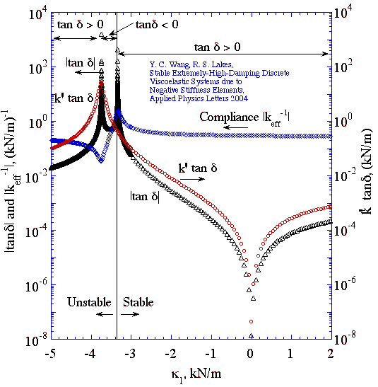
Negative Phase delta. Experiment: Reuss composite unit cell with negative stiffness phase provides extreme damping.
Negative Phase delta. Theory: Reuss composite unit cell with negative stiffness phase.
Experiment / theory
Poisson's ratio range for stability
Phase trasformations Landau theory
Particles
Milton Map
BVS Instrument diagram
VO2-Sn-Nature
Evolution
Snap through. Illustration of instability.
Ring deformation. Illustration of Reuss model.
Piezo theory, BaTiZr
Stiffer than diamond, page
BaTiO3 axial viscoelasticity
BaTiO3 thermal strain
BaTiO3 DSC
BVS Instrument diagram
BaTiO3 torsion
BaTiO3 bending
BaTiO3 DSC, mechanical
BaTiO3 frequency, G
BaTiO3 frequency, E
BaTiO3 E and G
BaTiO3 anomalies
BaTiO3 bulk, Poisson
BaTiO3 conclusion
Further evolution

Negative bulk modulus foam
Negative Poisson's ratio / modulus
Compress foam and foam cell
Structure 60 ppi
Video of band formation in compression
Uniaxial 60 ppi
Uniaxial 10 ppi
Triaxial hydrostatic compression set-up
Negative bulk modulus, hysteresis
Summary - moduli in axial and hydrostatic compression
Negative bulk modulus, cycles
Cylinders
Foam conclusions

Thermal expansion
Unit cells
Map positive
Map negative

Negative bulk modulus
Negative bulk modulus - delta
Negative bulk modulus - stability

Polycrystals
InTl tan delta
InTl ripples, cool rate
InTl spontaneous strain
InTl bands
Hashin-Shtrikman polycrystal
Barium titantate thermal strain
Barium titantate DSC
Barium titantate viscoelasticity
Barium titantate, RT, pre stress
Barium titantate analysis
Stiffer than diamond page




Instability theory
Lumped model 1
Lumped model 2
Stability equations
Stability compliance, damping
Stability detail
Stability viscosity term
Stability, compliance
Stability frequency dependence
Piezoelectric composite
Instability experiment
Instability 5%VO2 delta, delta undulations, thrash.
bands.

Summary
Material freedom
isthmus view
campus
Further evolution
axioms
Evolution III
Research links








.