Search tool

Negative Poisson's ratio materials: names- auxetic, anti-rubber, dilational

Rod Lakes

  Poisson main   Original Poisson article   Poisson causal mechanisms   Phase transformations   Poisson Chirality   Foam preparation method   Names: auxetic, anti-rubber, dilational   Poisson Advances   Poisson structural hierarchy   Poisson End effects   Poisson Fastener   Uses   Work by others   Industrial research   Thermal expansion

Meaning of Poisson's ratio

Negative stiffness inclusions

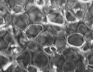
foam structure

Names of these materials
Materials with a negative Poisson's ratio (R. S. Lakes, Science 1987 [1]; have been called anti-rubber [2], dilational materials [3], or auxetic materials. These materials are also called auxetics. The name anti-rubber (New York Times, 1987) arises from the fact that negative Poisson's ratio materials become fatter in cross section when stretched. By contrast rubber becomes thinner. So, auxetic is the opposite of rubbery.
The name dilational arises from the fact that solids with negative Poisson's ratio easily undergo volume changes. By contrast, rubbery materials easily undergo shape changes (shear deformation) but they are much stiffer in relation to volume changes. The distinction is shown in a map adapted from G. Milton. The name auxetic, or auxetics, after Evans and co-workers (1991) in the U.K. [4], is derived from the root word for growth, alluding to the lateral expansion which occurs under tension. The 1991 paper that introduced this term provided a proposal for achieving such effects at the molecular scale via a two dimensional model resembling the bow tie structure of negative Poisson's ratio honeycomb. As for early experiments by this group, highly anisotropic expanded porous polytetrafluoroethylene was found to exhibit a negative Poisson's ratio [5]. More recently further neologisms including the terms metamaterial and architected material have been used for materials with complex designed structure and unusual or extreme properties.

Description
Novel materials are presented, which exhibit a negative Poisson's ratio. Such a material expands laterally when stretched, in contrast to ordinary materials. The original negative Poisson's ratio foam was developed by Rod Lakes. Foam materials with a negative Poisson's ratio as small as n = -0.7 were developed [1] in which an inverted or re-entrant cell structure was achieved by isotropic permanent volumetric compression of a conventional foam, resulting in microbuckling of the cell ribs. The cause of the negative Poisson's ratio is non-affine deformation.
In a conceptual advance [3], laminate structures were presented by Milton . These laminates give rise to intentional negative Poisson's ratios combined with mechanical isotropy in two dimensions or in three dimensions [3]. These laminates have structure on several levels of scale; they are hierarchical. By appropriate choice of constituent properties one can achieve Poisson's ratios approaching the lower limit of -1. The laminate Poisson's ratio is close to the rigorous lower bound which is independent of the microstructure, therefore it will not be possible to find microstructures with much lower Poisson's ratio for given constituent stiffnesses
Review articles on auxetic or dilational materials are given by Lakes in [6] and by Evans and Alderson in [7].

A more recent review article is as follows.
Greaves, G. N., Greer, A. L., Lakes, R. S., and Rouxel, T., "Poisson's Ratio and Modern Materials", Nature Materials, 10, 823-837 Nov. (2011). In comparing a material's resistance to distort under mechanical load rather than alter in volume, Poisson's ratio offers the fundamental metric by which to compare the performance of any material when strained elastically. The numerical limits are set by 1/2 and -1, between which all stable isotropic materials are found. With new experiments, computational methods and routes to materials synthesis, we assess what Poisson's ratio means in the contemporary understanding of the mechanical characteristics of modern materials. Central to these recent advances, we emphasize the significance of relationships outside the elastic limit between Poisson's ratio and densification, connectivity, ductility and the toughness of solids; and their association with the dynamic properties of the liquids from which they were condensed and into which they melt. get pdf.

References
[1] R. S. Lakes, "Foam structures with a negative Poisson's ratio", Science , 235 1038-1040, 1987
[2] J. Glieck, The New York Times, 14 April 1987.
[3] G. Milton, "Composite materials with Poisson's ratios close to -1", J. Mech. Phys. Solids, 40, 1105-1137, 1992
[4] K. E. Evans, M. A Nkansah, I. J. Hutchinson, S. C. Rogers, "Molecular network design", Nature 353, 124, 1991.
[5] B. D. Caddock, and K. E. Evans, "Microporous materials with negative Poisson's ratio: I. Microstructure and mechanical properties", J. Phys. D., Appl. Phys. , 22, 1877-1882, 1989.
[6] R. S. Lakes, "Advances in negative Poisson's ratio materials", Advanced Materials (Weinheim, Germany), 5, 293-296, 1993.
[7] K. E. Evans and A. Alderson, "Auxetic materials: functional materials and structures from lateral thinking", Advanced Materials (Weinheim, Germany), 12, 617-628, 2000.

More references, negative Poisson's ratio or auxetics, 1985-2005, top recent.
Yet more references auxetic materials with a negative Poisson's ratio (auxetic), 2005-2012.

Physica Status Solidi (b), special issue on negative Poisson's ratio, Volume 242, Issue 3, Pages 487-763 (March 2005). There are other such special issues.
Selected titles

Rapid Research Letter

High-energy vibrational modes in nitrogen-doped ZnO (p R21-R23) U. Haboeck, A. Hoffmann, C. Thomsen, A. Zeuner, B. K. Meyer

The asymmetry of the lobe contrasts in two-beam TEM as a test to obtain the Burgers vector of an inclined relaxing dislocation (p R24-R26) Chokri Hadj Belgacem, Abdelaziz Ati, Roland Bonnet

Experimental evidence for magnetic resonance in the antiferro-quadrupole phase (p R27-R29) S. V. Demishev, A. V. Semeno, Yu. B. Paderno, N. Yu. Shitsevalova, N. E. Sluchanko

Low temperature ultrasonic investigation of ZnSe crystals doped with Ni (p R30-R32) Vladimir Gudkov, Alexander Lonchakov, Victor Sokolov, Irina Zhevstovskikh, Nikita Gruzdev

Searching for auxetics with DYNA3D and ParaDyn (p 487) Wm. G. Hoover, C. G. Hoover

Martin Stutzmann: Editor, Teacher, Scientist and Friend (p 493-494) Manuel Cardona

New Regional Editor in the USA (p 495)

Preface: phys. stat. sol. (b) 242/3 (p 497) Krzysztof W. Wojciechowski, Andrew Alderson, Arkadiusz Braka, Kim L. Alderson

Quantitative analysis of the microscale of auxetic foams (p 550-560) N. Gaspar, C. W. Smith, E. A. Miller, G. T. Seidler, K. E. Evans

Auxetic behaviour from rotating rigid units (p 561-575) J. N. Grima, A. Alderson, K. E. Evans

Searching for auxetics with DYNA3D and ParaDyn (p 585-594) Wm. G. Hoover, C. G. Hoover

Thermal expansion and contraction of polymer thin films (p 595-606) T. Kanaya, T. Miyazaki, R. Inoue, K. Nishida

Molecular dynamics study of the high-temperature elasticity of SiO2 polymorphs: Structural phase transition and elastic anomaly (p 607-620) Hajime Kimizuka, Hideo Kaburaki

Structural changes in amorphous Fe41Ni40Zr7B12 alloy under heat treatment (p 621-625) S. Kostyrya, Z. niadecki, B. Idzikowski

Poisson's ratio of degenerate crystalline phases of three-dimensional hard dimers and hard cyclic trimers (p 626-631) M. Kowalik, K. W. Wojciechowski

Simulation of a superconducting granular system on a honeycomb structure (p 632-636) G. Mancini, R. Natali

Al-based systems with unusual mechanical and transport properties (p 637-644) K. Müllerová, J. Kovácik, F. Simancík, P. vec

Extreme viscoelastic properties of composites of strongly inhomogeneous structures due to negative stiffness phases (p 645-652) V. V. Novikov, K. W. Wojciechowski

Expanding the range of auxetic polymeric products using a novel melt-spinning route (p 653-664) N. Ravirala, A. Alderson, K. L. Alderson, P. J. Davies

Directional and band-gap behavior of periodic auxetic lattices (p 665-680) M. Ruzzene, F. Scarpa

Auxetic compliant flexible PU foams: static and dynamic properties (p 681-694) F. Scarpa, P. Pastorino, A. Garelli, S. Patsias, M. Ruzzene

Global and local linear buckling behavior of a chiral cellular structure (p 695-709) A. Spadoni, M. Ruzzene, F. Scarpa

Auxetic behaviour: appearance and engineering applications (p 710-720) G. E. Stavroulakis

Stereographic projections of Poisson's ratio in auxetic crystals (p 721-729) S. P. Tokmakova

Monte Carlo simulation of two-dimensional hard body systems with extreme values of the Poisson's ratio (p 730-741) K. V. Tretiakov, K. W. Wojciechowski

Design of auxetic polymer self-assemblies (p 742-748) Gaoyuan Wei

Liquids at negative pressure (p 749-761) C. Xiao, D. M. Heyes, J. G. Powles

Editorial Note Gallium nitride nanowires with a metal initiated metal-organic chemical vapor deposition (MOCVD) approach [phys. stat. sol. (b) 241, 2775 (2004)] (p 763) Sang-Kwon Lee, Heon-Jin Choi, Peter Pauzauskie, Peidong Yang, Nam-Kyu Cho, Hyo-Derk Park, Eun-Kyung Suh, Kee-Young Lim, Hyung-Jae Lee

Static and high constant strain rate loading on auxetic and conventional PU foam. Scarpa, F. ; Cannas, A.; Yates, J.R. Journal of Advanced Materials, v 37, n 3, July 2005, p 11-14

Investigation of high and negative Poisson's ratio laminates, Peel, Larry D.
International SAMPE Symposium and Exhibition (Proceedings), v 50, SAMPE 05: New Horizons for Materials and Processing Technologies - Conference Proceedings, 2005, p 821-834

Vibration damping of fiber-reinforced polyurethane using high and negative poisson's ratio laminates, Keshavamurthy, Deepak ; Hossakere, Krishna Murthy; Peel, Larry D.
International SAMPE Symposium and Exhibition (Proceedings), v 50, SAMPE 05: New Horizons for Materials and Processing Technologies - Conference Proceedings, 2005, p 873-887

Auxetic strains - Insight from iso-auxetic materials, Blumenfeld, R.
Molecular Simulation, v 31, n 13, Nov 1, 2005, p 867-871

Dynamic simulations of potentially auxetic liquid-crystalline polymers incorporating swivelling mesogens Aldred, P. ; Moratti, S.C.
Molecular Simulation, v 31, n 13, Nov 1, 2005, p 883-887

Modelling of the mechanical and mass transport properties of auxetic molecular sieves: An idealised inorganic (zeolitic) host-guest system Alderson, A. ; Davies, P.J.; Evans, K.E.; Alderson, K.L.; Grima, J.N.
Molecular Simulation, v 31, n 13, Nov 1, 2005, p 889-896

Modelling of the mechanical and mass transport properties of auxetic molecular sieves: An idealised organic (polymeric honeycomb) host-guest system Alderson, A. ; Davies, P.J.; Williams, M.R.; Evans, K.E.; Alderson, K.L.; Grima, J.N.
Molecular Simulation, v 31, n 13, Nov 1, 2005, p 897-905

Modelling of auxetic networked polymers built from calix[4]arene building blocks Grima, J.N. ; Williams, J.J.; Gatt, R.; Evans, K.E.
Molecular Simulation, v 31, n 13, Nov 1, 2005, p 907-913

Empirical modelling using dummy atoms (EMUDA): An alternative approach for studying "auxetic" structures Grima, J.N. ; Gatt, R.; Bray, T.G.C.; Alderson, A.; Evans, K.E.
Molecular Simulation, v 31, n 13, Nov 1, 2005, p 915-924

On the potential of connected stars as auxetic systems Grima, J.N. ; Gatt, R.; Alderson, A.; Evans, K.E.
Molecular Simulation, v 31, n 13, Nov 1, 2005, p 925-935

Expanding the range of auxetic polymeric products using a novel melt-spinning route Ravirala, N. ; Alderson, A.; Alderson, K.L.; Davies, P.J.
Physica Status Solidi B, v 242, n 3, March 2005, p 653-64

Mechanical performance of auxetic polyurethane foam for antivibration glove applications Scarpa, F. ; Giacomin, J.; Zhang, Y.; Pastorino, P.
Cellular Polymers, v 24, n 5, 2005, p 253-268

Modelling the deformation mechanisms, structure-property relationships and applications of auxetic nanomaterials Alderson, A. ; Alderson, K.L.; Evans, K.E.; Grima, J.N.; Williams, M.R.; Davies, P.J.
Physica Status Solidi B, v 242, n 3, March 2005, p 499-508

How to make auxetic fibre reinforced composites Alderson, K.L. ; Simkins, V.R.; Coenen, V.L.; Davies, P.J.; Alderson, A.; Evans, K.E.
Physica Status Solidi B, v 242, n 3, March 2005, p 509-18

Quantitative analysis of the microscale of auxetic foams Gaspar, N. ; Smith, C.W.; Miller, E.A.; Seidler, G.T.; Evans, K.E.
Physica Status Solidi B, v 242, n 3, March 2005, p 550-60

Auxetic behaviour from rotating rigid units Grima, J.N. ; Alderson, A.; Evans, K.E.
Physica Status Solidi B, v 242, n 3, March 2005, p 561-75

Toward molecular auxetics: main chain liquid crystalline polymers consisting of laterally attached para-quaterphenyls He, C. ; Liu, P.; McMullan, P.J.; Griffin, A.C.
Physica Status Solidi B, v 242, n 3, March 2005, p 576-84

An alternative explanation for the negative Poisson's ratios in auxetic foams Grima, J.N. ; Alderson, A.; Evans, K.E.
Journal of the Physical Society of Japan, v 74, n 4, April 2005, p 1341-2

Negative poisson's ratios in anisotropic linear elastic media Ting, T.C.T.
Journal of Applied Mechanics, Transactions ASME, v 72, n 6, November, 2005, p 929-931

Constant strain-rate compression test of a fluid-saturated poroelastic sample with positive or negative Poisson's ratio. Sawaguchi, H.; Kurashige, M.
Acta Mechanica, v 179, n 3-4, November, 2005, p 145-156

On the origin of auxetic behaviour in the silicate a-cristobalite. Grima, Joseph N.; Gatt, Ruben; Alderson, Andrew; Evans, Kenneth E.
Journal of Materials Chemistry, v 15, n 37, Oct 7, 2005, p 4003-4005

Composites with inclusions of negative bulk modulus: Extreme damping and negative poisson's ratio, Wang, Y.C.; Lakes, R.S.
Journal of Composite Materials, v 39, n 18, 2005, p 1645-1657

Expanding materials and applications: Exploiting auxetic textiles. Andy; Alderson, Kim
Technical Textiles International, v 14, n 6, September, 2005, p 29-34

Single fibre pullout tests on auxetic polymeric fibres Simkins, V.R. ; Alderson, A.; Davies, P.J.; Alderson, K.L.
Journal of Materials Science, v 40, n 16, August, 2005, p 4355-4364

High-pressure elasticity and auxetic property of a-cristobalite. Kimizuka, Hajime
Materials Transactions, v 46, n 6, June, 2005, p 1161-1166

Polyurethane foam with a negative Poisson's ratio for diabetic shoes. Park, K.O.; Choi, J.B.; Lee, S.J.; Choi, H.H.; Kim, J.K.
Key Engineering Materials, v 288-289, 2005, p 677-80

Design of an artificial intervertebral disc exhibiting a negative poisson's ratio. Martz, Erik O.; Lakes, Roderic S.; Goel, Vijay K.; Park, Joon B.
Cellular Polymers, v 24, n 3, 2005, p 127-138

Metamaterial and auxetic hybrid composite antennas. Gupta, N.; Gupta, K.M.
2005 IEEE International Workshop on Antenna Technology: Small Antennas and Novel Metamaterials, 2005, p 414-17

Auxetic polypropylene films. Ravirala, N.; Alderson, A.; Alderson, K.L.; Davies, P.J.
Polymer Engineering and Science, v 45, n 4, April, 2005, p 517-528

Novel fabrication route for auxetic polyethylene. Part 1. Processing and microstructure. Alderson, K.L.; Kettle, A.P.; Evans, K.E.
Polymer Engineering and Science, v 45, n 4, April, 2005, p 568-578

Mandel and Cryer problems of fluid-saturated foams with negative Poisson's ratio. Kurashige, M.; Sato, K.; Imai, K.
Acta Mechanica, v 175, n 1-4, March, 2005, p 25-43

Novel honeycombs with auxetic behaviour. Gaspar, N.; Ren, X.J.; Smith, C.W.; Grima, J.N.; Evans, K.E.
Acta Materialia, v 53, n 8, May, 2005, p 2439-2445

Modelling of negative poisson's ratio nanomaterials: Deformation mechanisms, structure-property relationships and applications. Alderson, A.; Alderson, K.L.; Evans, K.E.; Grima, J.N.; Williams, M.
Journal of Metastable and Nanocrystalline Materials, v 23, 2005, p 55-58

Elastic model of an entangled network of interconnected fibres accounting for negative Poisson ratio behaviour and random triangulation. Delannay, Francis
International Journal of Solids and Structures, v 42, n 8, April, 2005, p 2265-2285

Passive and MR fluid-coated auxetic PU foam - Mechanical, acoustic, and electromagnetic properties. Scarpa, F. (Multidomain Cell. Solids Laboratory, Department of Mechanical Engineering, University of Sheffield); Smith, F.C. Journal of Intelligent Material Systems and Structures, v 15, n 12, December, 2004, p 973-979

An overview of worldwide developments in smart textiles. Sastry, U.R.B. (Hochschule Nierderrhein, Monchengladbach, Germany) Technical Textiles International, June 2004, p 31-5

Tensile properties of magnetostrictive iron-gallium alloys. Kellogg, R.A. (Sandia National Laboratories, Department of Aerospace Engineering, Iowa State University); Russell, A.M.; Lograsso, T.A.; Flatau, A.B.; Clark, A.E.; Wun-Fogle, M. Acta Materialia, v 52, n 17, Oct 4, 2004, p 5043-5050

Directions of auxeticity for monoclinic crystals. Rovati, Marco (Department of Mechanical Engineering, University of Trente) Scripta Materialia, v 51, n 11, November, 2004, p 1087-1091

Regular network of contacting cylinders with implications for materials with negative poisson ratios. Pikhitsa, Peter V. (Natl. CRI Ctr. Nano Particle Contr., Inst. of Adv. Machinery and Design, Seoul National University) Physical Review Letters, v 93, n 1, Jul 2, 2004, p 015505-1-015505-4

On auxetic materials. Yang, Wei (Coll. of Poly. Sci. and Engineering, Sichuan University, Stt. Key Lab. of Poly. Mat. Eng.); Li, Zhong-Ming; Shi, Wei; Xie, Bang-Hu; Yang, Ming-Bo Journal of Materials Science, v 39, n 10, May 15, 2004, p 3269-3279

Finite elements computation for the elastic properties of a regular stacking of hollow spheres. Gasser, S. (LTPCM/INPG, Domaine Universitaire de Grenoble); Paun, F.; Brechet, Y. Materials Science and Engineering A, v 379, n 1-2, Aug 15, 2004, p 240-244

A study of negative Poisson's ratios in auxetic honeycombs based on a large deflection model. Wan, Hui (Department of Mechanical Engineering, Faculty of Engineering, Saitama University); Ohtaki, Hideyuki; Kotosaka, Shinya; Hu, Guoming European Journal of Mechanics, A/Solids, v 23, n 1, January/February, 2004, p 95-106

Trends in acoustic properties of iron particle seeded auxetic polyurethane foam. Scarpa, F. (Multidomain Cell. Solids Laboratory, Department of Mechanical Engineering, University of Sheffield); Bullough, W.A.; Lumley, P. Proceedings of the Institution of Mechanical Engineers, Part C: Journal of Mechanical Engineering Science, v 218, n 2, February, 2004, p 241-244

Dynamic properties of high structural integrity auxetic open cell foam. Scarpa, F. (Department of Mechanical Engineering, University of Sheffield); Ciffo, L.G.; Yates, J.R. Smart Materials and Structures, v 13, n 1, February, 2004, p 49-56

The design, matching and manufacture of auxetic carbon fibre laminates. Evans, K.E. (Centre for Mat. Res. and Innovation, Bolton Institute); Donoghue, J.P.; Alderson, K.L. Journal of Composite Materials, v 38, n 2, 2004, p 95-106

Design of honeycomb-like composites for electromagnetic and structural applications Smith, F.C. (Department of Engineering, University of Hull); Scarpa, F. IEE Proceedings: Science, Measurement and Technology, v 151, n 1, January, 2004, p 9-15

Elastic model of an entangled network of interconnected fibres accounting for negative Poisson ratio behaviour and random triangulation Delannay, Francis (Dept. Sci. des Mat. et des Procedes, PCIM, Univ. Catholique de Louvain) International Journal of Solids and Structures, v 42, n 8, April, 2005, p 2265-2285

Lattice anomaly of MgB (h-BN) and related compounds under various compression conditions Kobayashi, Kazuaki (Compl. Materials Science Center, Natl. Inst. for Materials Science); Arai, Masao Molecular Simulation, v 30, n 13-15, Nov 15, 2004, p 981-986

Acoustic characterization of the elastic properties of austenite phase and martensitic transformations in CuAlNi shape memory alloy Cernoch, T. (Institute of Physics, Acad. of Sci. of the Czech Republic); Landa, M.; Novak, V.; Sedlak, P.; Sittner, P. Journal of Alloys and Compounds, v 378, n 1-2, Sep 22, 2004, p 140-144

Aguirre-Tostado FS, Herrera-Gomez A, Woicik JC, et al. Elastic anomaly for SrTiO3 thin films grown on Si(001) PHYSICAL REVIEW B 70 (20): Art. No. 201403 NOV 2004

Elastic constants, internal friction, and piezoelectric coefficient of alpha -TeO/sub 2/ Ogi, H. (Graduate Sch. of Eng. Sci., Osaka Univ., Japan;); Fukunaga, M.; Hirao, M.; Ledbetter, H. Physical Review B (Condensed Matter and Materials Physics), v 69, n 2, 1 Jan. 2004, p 24104-1-8

Wu HM, Wei GY Molecular design of new kinds of auxetic polymers and networks CHINESE JOURNAL OF POLYMER SCIENCE 22 (4): 355-362 AUG 2004

Wu HM, Wei GY Molecular design of several types of self-assembly auxetic networks ACTA POLYMERICA SINICA (2): 201-207 APR 2004

Yang X, Yang MB, Li ZM, et al. The negative poisson's ratio effect of polyolefin blends ACTA POLYMERICA SINICA (2): 221-224 APR 2003

Wojciechowski KW, Non-chiral, molecular model of negative Poisson ratio in two dimensions JOURNAL OF PHYSICS A-MATHEMATICAL AND GENERAL 36 (47): 11765-11778 NOV 28 2003   Lim, TC   Constitutive relationship of a material with unconventional Poisson's ratio J MATER SCI LETT22 (24): 1783-1786 DEC 15 2003

Gaspar, N, Smith, CW, Evans, KE   Effect of heterogeneity on the elastic properties of auxetic materials J APPL PHYS94 (9): 6143-6149 NOV 1 2003

Ruzzene, M, Scarpa, F   Control of wave propagation in sandwich beams with auxetic core J INTEL MAT SYST Str14 (7): 443-453 JUL 2003

Wojciechowski, KW   Remarks on "Poisson ratio beyond the limits of the elasticity theory" J PHYS SOC JPN72 (7): 1819-1820 JUL 2003

Ruzzene, M, Scarpa, F, Soranna, F   Wave beaming effects in two-dimensional cellular structures SMART MATER StrUCT12 (3): 363-372 JUN 2003

Pleskachevskii, YM, Shil'ko, SV, Chernous, DA   Structural modeling in the mechanics of porous materials MECH COMPOS MATER39 (2): 129-136 MAR-APR 2003

Whitty, JPM, Alderson, A, Myler, P, et al.   Towards the design of sandwich panel composites with enhanced mechanical and thermal properties by variation of the in-plane Poisson's ratios COMPOS PART A-APPL S34 (6): 525-534 2003

Ruzzene, M, Mazzarella, L, Tsopelas, P, et al.   Wave propagation in sandwich plates with periodic auxetic core J INTEL MAT SYST Str13 (9): 587-597 SEP 2002

Wojciechowski, KW, Tretiakov, KV, Kowalik, M   Elastic properties of dense solid phases of hard cyclic pentamers and heptamers in two dimensions PHYS REV E 67 (3): - Part 2 MAR 2003

Scarpa, F, Smith, FC, Chambers, B, et al.   Mechanical and electromagnetic behaviour of auxetic honeycomb structures AERONAUT J 107 (1069): 175-183 MAR 2003

  Rovati, M   On the negative Poisson's ratio of an orthorhombic alloy SCRIPTA MATER 48 (3): 235-240 FEB 3 2003

Scarpa, F, Yates, JR, Ciffo, LG, et al.   Dynamic crushing of auxetic open-cell polyurethane foam P I MECH ENG C-J MEC 216 (12): 1153-1156 2002

Huang, FY, Yan, BH, Yang, DU   The effects of material constants on the micropolar elastic honeycomb structure with negative Poisson's ratio using the finite element method ENG COMPUTATION19 (7-8): 742-763 2002

Yang, DU, Lee, S, Huang, FY   Geometric effects on micropolar elastic honeycomb structure with negative Poisson's ratio using the finite element method FINITE ELEM ANAL DES39 (3): 187-205 JAN 2003

Lim, TC   Functionally graded beam for attaining Poisson-curving J MATER SCI LETT 21 (24): 1899-1901 DEC 15 2002

Alderson, KL, Alderson, A, Smart, G, et al.   Auxetic polypropylene fibres Part 1 - Manufacture and characterisation PLAST RUBBER COMPOS 31 (8): 344-349 2002

Alderson, A, Evans, KE   Molecular origin of auxetic behavior in tetrahedral framework silicates PHYS REV LETT 89 (22): - NOV 25 2002

Lim, TC   Material structure for attaining pure Poisson-shearing J MATER SCI LETT 21 (20): 1595-1597 OCT 15 2002

Wang, YC, Lakes, R   Analytical parametric analysis of the contact problem of human buttocks and negative Poisson's ratio foam cushions INT J SOLIDS StrUCT 39 (18): 4825-4838 SEP 2002

Whitty, JPM, Nazare, F, Alderson, A   Modelling the effects of density variations on the in-plane Poisson's ratios and Young's moduli of periodic conventional and re-entrant honeycombs - Part 1: Rib thickness variations CELL POLYM21 (2): 69-98 2002

  Flavin, J, Gleeson, B   Pointwise and other decay estimates for an isotropic elastic strip J ELASTICITY64 (2-3): 191-197 2001

Wang, YC, Lakes, R, Butenhoff, A   Influence of cell size on re-entrant transformation of negative Poisson's ratio reticulated polyurethane foams CELL POLYM 20 (6): 373-385 2001

Huang, X, Blackburn, S   Developing a new processing route to manufacture honeycomb ceramics with negative Poisson's ratio KEY ENG MAT 206-2: 201-204 2002

Alderson, A, Evans, KE   Rotation and dilation deformation mechanisms for auxetic behaviour in the alpha-cristobalite tetrahedral framework structure PHYS CHEM MINER 28 (10): 711-718 NOV 2001

Brandel, B, Lakes, RS   Negative Poisson's ratio polyethylene foams J MATER SCI 36 (24): 5885-5893 2001

Rasburn, J, Mullarkey, PG, Evans, KE, et al.   Auxetic structures for variable permeability systems AICHE J47 (11): 2623-2626 NOV 2001

Bowick, M, Cacciuto, A, Thorleifsson, G, et al.   Universal negative Poisson ratio of self-avoiding fixed-connectivity membranes PHYS REV LETT 87 (14): - OCT 1 2001

Lakes, RS, Lee, T, Bersie, A, et al.   Extreme damping in composite materials with negative-stiffness inclusions NATURE 410 (6828): 565-567 MAR 29 2001

Arias, F, Kenis, PJA, Xu, B, et al.   Fabrication and characterization of microscale sandwich beams J MATER RES16 (2): 597-605 FEB 2001

Grima, JN, Jackson, R, Alderson, A, et al.   Do zeolites have negative Poisson's ratios? ADV MATER 12 (24): 1912-+ DEC 15 2000

  Matsuoka, T, Yamamoto, S, Takahara, M   Prediction of structures and mechanical properties of composites using a genetic algorithm and finite element method J MATER SCI 36 (1): 27-33 JAN 2001

Smith, FC, Scarpa, F, Chambers, B   The electromagnetic properties of re-entrant dielectric honeycombs IEEE MICROW GUIDED W10 (11): 451-453 NOV 2000

Smith, CW, Grima, JN, Evans, KE   A novel mechanism for generating auxetic behaviour in reticulated foams: Missing rib foam model ACTA MATER 48 (17): 4349-4356 NOV 8 2000

Scarpa, F, Panayiotou, P, Tomlinson, G   Numerical and experimental uniaxial loading on in-plane auxetic honeycombs J STRAIN ANAL ENG 35 (5): 383-388 SEP 2000

Scarpa, F, Tomlin, PJ   On the transverse shear modulus of negative Poisson's ratio honeycomb structures FATIGUE FRACT ENG M23 (8): 717-720 AUG 2000

Webber, RS, Alderson, KL, Evans, KE   Novel variations in the microstructure of the auxetic microporous ultra-high molecular weight polyethylene. Part 1: Processing and microstructure POLYM ENG SCI40 (8): 1894-1905 AUG 2000

Alderson, KL, Webber, RS, Evans, KE   Novel variations in the microstructure of auxetic ultra-high molecular weight polyethylene. Part 2: Mechanical properties POLYM ENG SCI40 (8): 1906-1914 AUG 2000

Ishibashi, Y, Iwata, M   A microscopic model of a negative Poisson's ratio in some crystals J PHYS SOC JPN69 (8): 2702-2703 AUG 2000

Grima, JN, Evans, KE   Auxetic behavior from rotating squares J MATER SCI LETT19 (17): 1563-1565 SEP 2000

Grima, JN, Evans, KE   Self expanding molecular networks CHEM COMMUN(16): 1531-1532 2000

Alderson, KL, Fitzgerald, A, Evans, KE   The strain dependent indentation resilience of auxetic microporous polyethylene J MATER SCI35 (16): 4039-4047 AUG 2000

Lowe, A, Lakes, RS   Negative Poisson's ratio foam as seat cushion material CELL POLYM19 (3): 157-167 2000

Evans, KE, Alderson, A   Auxetic materials: Functional materials and structures from lateral thinking! ADV MATER12 (9): 617-+ MAY 3 2000

Wang, Y, Cuitino, AM   Three-dimensional nonlinear open-cell foams with large deformations J MECH PHYS SOLIDS48 (5): 961-988 MAY 2000

Tomlinson, GR   Structural damping enhancement using a novel approach - a forward look P I MECH ENG C-J MEC214 (1): 103-112 2000

Alderson, A, Rasburn, J, Ameer-Beg, S, et al.   An auxetic filter: A tuneable filter displaying enhanced size selectivity or defouling properties IND ENG CHEM RES39 (3): 654-665 MAR 2000



Scarpa, F, Tomlinson, G   Theoretical characteristics of the vibration of sandwich plates with in-plane negative Poisson's ratio values J SOUND VIB230 (1): 45-67 FEB 10 2000

Zhang, RG, Yeh, HL, Yeh, HY   A discussion of negative Poisson's ratio design for composites J REINF PLAST COMP18 (17): 1546-1556 1999

Smith, CW, Wootton, RJ, Evans, KE   Interpretation of experimental data for Poisson's ratio of highly nonlinear materials EXP MECH39 (4): 356-362 DEC 1999

Yeh, HL, Yeh, HY, Zhang, RG   A study of negative Poisson's ratio in randomly oriented quasi-isotropic composite laminates J COMPOS MATER33 (19): 1843-1857 1999

Kang, DS, Mahajan, MP, Zhang, SY, et al.   Pretransitional behavior above the nematic-isotropic phase transition of an auxetic trimer liquid crystal PHYS REV E60 (4): 4980-4982 Part B OCT 1999

Xu, B, Arias, F, Brittain, ST, et al.   Making negative Poisson's ratio microstructures by soft lithography ADV MATER11 (14): 1186-1189 OCT 1 1999

Smith, CW, Lehman, F, Wootton, RJ, et al.   Strain dependent densification during indentation in auxetic foams CELL POLYM18 (2): 79-101 1999

Alderson, A   A triumph of lateral thought CHEM IND-LONDON(10): 384-+ MAY 17 1999

Alderson, KL, Alderson, A, Webber, RS, et al.   Evidence for uniaxial drawing in the fibrillated microstructure of auxetic microporous polymers J MATER SCI LETT17 (16): 1415-1419 AUG 15 1998

Chan, N, Evans, KE   The mechanical properties of conventional and auxetic foams. Part I: Compression and tension J CELL PLAST35 (2): 130-+ MAR-APR 1999

Chan, N, Evans, KE   The mechanical properties of conventional and auxetic foams. Part II: Shear J CELL PLAST35 (2): 166-+ MAR-APR 1999

Wei, GY, Edwards, SF   Effective elastic properties of composites of ellipsoids (I). Nearly spherical inclusions PHYSICA A264 (3-4): 388-403 MAR 1 1999

Wei, GY, Edwards, SF   Effective elastic properties of composites of ellipsoids (II). Nearly disk- and needle-like inclusions PHYSICA A264 (3-4): 404-423 MAR 1 1999

Persad, C   Progress in materials for EML: Review and preview IEEE T MAGN35 (1): 300-306 Part 1 JAN 1999

    Zhang, RG, Yeh, HL, Yeh, HY   A preliminary study of negative Poisson's ratio of laminated fiber reinforced composites J REINF PLAST COMP  17 (18): 1651-1664 1998

Wei, GY, Edwards, SF   Poisson ratio in composites of auxetics PHYS REV E  58 (5): 6173-6181 Part B NOV 1998

Bungenstock, C, Troster, T, Holzapfel, WB, et al.   Study of the energy level scheme of Pr3+: LaOCl under pressure J PHYS-CONDENS MAT  10 (41): 9329-9342 OCT 19 1998

Liu, PW, He, CB, Griffin, AC   Liquid crystalline polymers as potential auxetic materials: Influence of transverse rods on the polymer mesophase. ABSTR PAP AM CHEM S  216: 364-POLY Part 3 AUG 23 1998

Booth, CJ, He, CB, Griffin, AC   Elastomeric nematic polyesters - Towards auxetic materials. ABSTR PAP AM CHEM S  216: 363-POLY Part 3 AUG 23 1998

Wei, GY, Edwards, SF   Auxeticity windows for composites PHYSICA A  258 (1-2): 5-10 SEP 1 1998

Overaker, DW, Cuitino, AM, Langrana, NA   Effects of morphology and orientation on the behavior of two-dimensional hexagonal foams and application in a re-entrant foam anchor model MECH MATER  29 (1): 43-52 JUN 1998

Sigmund, O, Torquato, S, Aksay, IA   On the design of 1-3 piezocomposites using topology optimization J MATER RES  13 (4): 1038-1048 APR 1998

Chan, N, Evans, KE   Indentation resilience of conventional and auxetic foams J CELL PLAST  34 (3): 231-+ MAY-JUN 1998

Badawi, KF, Goudeau, P, Durand, N   Consistent interpretation of negative Poisson's ratio reported in metallic multilayers: Role of stress-free lattice parameter EUR PHYS J-APPL PHYS  2 (1): 1-6 APR 1998

Theocaris, PS, Stavroulakis, GE   The homogenization method for the study of variation of Poisson's ratio in fiber composites ARCH APPL MECH  68 (3-4): 281-295 APR 1998

Baughman, RH, Shacklette, JM, Zakhidov, AA, et al.   Negative Poisson's ratios as a common feature of cubic metals NATURE  392 (6674): 362-365 MAR 26 1998

Theocaris, PS, Stavroulakis, GE   Multilevel optimal design of composite structures including materials with negative Poisson's ratio STRUCT OPTIMIZATION  15 (1): 8-15 FEB 1998

Loureiro, MA, Lakes, RS   Scale-up of transformation of negative Poisson's ratio foam: Slabs CELL POLYM  16 (5): 349-363 1997

Chan, N, Evans, KE   Fabrication methods for auxetic foams J MATER SCI  32 (22): 5945-5953 NOV 15 1997

Chan, N, Evans, KE   Microscopic examination of the microstructure and deformation of conventional and auxetic foams J MATER SCI  32 (21): 5725-5736 NOV 1 1997

Liu, P, He, C, Griffin, AC   Liquid crystalline polymers as potential auxetic materials ABSTR PAP AM CHEM S  214: 85-POLY Part 2 SEP 7 1997

Alderson, KL, Alderson, A, Evans, KE   The interpretation of the strain-dependent Poisson's ratio in auxetic polyethylene J STRAIN ANAL ENG  32 (3): 201-212 MAY 1997

Alderson, A, Evans, KE   Modelling concurrent deformation mechanisms in auxetic microporous polymers J MATER SCI  32 (11): 2797-2809 JUN 1 1997

Larsen, UD, Sigmund, O, Bouwstra, S   Design and fabrication of compliant micromechanisms and structures with negative Poisson's ratio J MICROELECTROMECH S  6 (2): 99-106 JUN 1997

Theocaris, PS, Stavroulakis, GE, Panagiotopoulos, PD   Negative Poisson's ratios in composites with star-shaped inclusions: A numerical homogenization approach ARCH APPL MECH  67 (4): 274-286 APR 1997

Scharer, U, Wachter, P   Brillouin spectroscopy on doped SmS PHYSICA B  230: 721-724 FEB 1997

Alderson, KL, Webber, RS, Mohammed, UF, et al.   An experimental study of ultrasonic attenuation in microporous polyethylene APPL ACOUST  50 (1): 23-33 JAN 1997

Masters, IG, Evans, KE   Models for the elastic deformation of honeycombs COMPOS STRUCT  35 (4): 403-422 AUG 1996

Choi, JB, Lakes, RS   Fracture toughness of re-entrant foam materials with a negative Poisson's ratio: Experiment and analysis INT J FRACTURE  80 (1): 73-83 1996

Prall, D, Lakes, RS   Properties of a chiral honeycomb with a Poisson's ratio of -1. INT J MECH SCI  39 (3): 305-& MAR 1997

Singh, B, Singh, PK   An aroylhydrazone as chelating agent: 4f Metal complexes of 2,6-diacetylpyridine bis(2-furoylhydrazone) SYN REACT INORG MET  26 (10): 1621-1636 1996

Martz, EO, Lakes, RS, Park, JB   Hysteresis behaviour and specific damping capacity of negative Poisson's ratio foams CELL POLYM  15 (5): 349-364 1996

Sigmund, O, Torquato, S   Composites with extremal thermal expansion coefficients APPL PHYS LETT  69 (21): 3203-3205 NOV 18 1996

Martz, EO, Lee, T, Lakes, RS, et al.   Re-entrant transformation methods in closed cell foams CELL POLYM  15 (4): 229-249 1996

Lee, JH, Choi, JB, Choi, K   Application of homogenization FEM analysis to regular and re-entrant honeycomb structures J MATER SCI  31 (15): 4105-4110 AUG 1 1996

Chen, CP, Lakes, RS   Micromechanical analysis of dynamic behavior of conventional and negative Poisson's ratio foams J ENG MATER-T ASME  118 (3): 285-288 JUL 1996

Pickles, AP, Alderson, KL, Evans, KE   The effects of powder morphology on the processing of auxetic polypropylene (PP of negative Poisson's ratio) POLYM ENG SCI  36 (5): 636-642 MAR 1996

Guichard, B, Griffin, AC   Liquid crystalline polymers as potential auxetic materials. ABSTR PAP AM CHEM S  211: 116-IEC Part 1 MAR 24 1996

BAKER, JB, DOUGLASS, AG, GRIFFIN, AC   TRIMERIC LIQUID-CRYSTALS - MODEL COMPOUNDS FOR AUXETIC POLYMERS ABSTR PAP AM CHEM S  210: 146-POLY Part 2 AUG 20 1995

CADDOCK, BD, EVANS, KE   NEGATIVE POISSON RATIOS AND STRAIN-DEPENDENT MECHANICAL-PROPERTIES IN ARTERIAL PROSTHESES BIOMATERIALS  16 (14): 1109-1115 SEP 1995

PICKLES, AP, WEBBER, RS, ALDERSON, KL, et al.   THE EFFECT OF THE PROCESSING PARAMETERS ON THE FAbrICATION OF AUXETIC POLYETHYLENE .1. THE EFFECT OF COMPACTION CONDITIONS J MATER SCI  30 (16): 4059-4068 AUG 15 1995

ALDERSON, KL, KETTLE, AP, NEALE, PJ, et al.   THE EFFECT OF THE PROCESSING PARAMETERS ON THE FAbrICATION OF AUXETIC POLYETHYLENE .2. THE EFFECT OF SINTERING TEMPERATURE AND TIME J MATER SCI  30 (16): 4069-4075 AUG 15 1995

NEALE, PJ, PICKLES, AP, ALDERSON, KL, et al.   THE EFFECT OF THE PROCESSING PARAMETERS ON THE FAbrICATION OF AUXETIC POLYETHYLENE .3. THE EFFECT OF EXTRUSION CONDITIONS J MATER SCI  30 (16): 4087-4094 AUG 15 1995

EVANS, KE, ALDERSON, A, CHRISTIAN, FR   AUXETIC 2-DIMENSIONAL POLYMER NETWORKS - AN EXAMPLE OF TAILORING GEOMETRY FOR SPECIFIC MECHANICAL-PROPERTIES J CHEM SOC FARADAY T  91 (16): 2671-2680 AUG 21 1995

ALDERSON, A, EVANS, KE   MICROSTRUCTURAL MODELING OF AUXETIC MICROPOROUS POLYMERS J MATER SCI  30 (13): 3319-3332 JUL 1 1995

GARDNER, GB, VENKATARAMAN, D, MOORE, JS, et al.   SPONTANEOUS ASSEMBLY OF A HINGED COORDINATION NETWORK NATURE  374 (6525): 792-795 APR 27 1995

CHOI, JB, LAKES, RS   ANALYSIS OF ELASTIC-MODULUS OF CONVENTIONAL FOAMS AND OF REENTRANT FOAM MATERIALS WITH A NEGATIVE POISSONS RATIO INT J MECH SCI  37 (1): 51-59 JAN 1995

CHOI, JB, LAKES, RS   NONLINEAR-ANALYSIS OF THE POISSON RATIO OF NEGATIVE POISSON RATIO FOAMS J COMPOS MATER  29 (1): 113-128 1995

PHANTHIEN, N, KARIHALOO, BL   MATERIALS WITH NEGATIVE POISSONS RATIO - A QUALITATIVE MICROSTRUCTURAL MODEL J APPL MECH-T ASME  61 (4): 1001-1004 DEC 1994

HOWELL, B, PRENDERGAST, P, HANSEN, L   EXAMINATION OF ACOUSTIC BEHAVIOR OF NEGATIVE POISSONS RATIO MATERIALS APPL ACOUST  43 (2): 141-148 1994

NKANSAH, MA, EVANS, KE, HUTCHINSON, IJ   MODELING THE MECHANICAL-PROPERTIES OF AN AUXETIC MOLECULAR NETWORK MODEL SIMUL MATER SC  2 (3): 337-352 MAY 1994

ALDERSON, KL, PICKLES, AP, NEALE, PJ, et al.   AUXETIC POLYETHYLENE - THE EFFECT OF A NEGATIVE POISSON RATIO ON HARDNESS ACTA metaLL MATER  42 (7): 2261-2266 JUL 1994

EVANS, KE, NKANSAH, MA, HUTCHINSON, IJ   AUXETIC FOAMS - MODELING NEGATIVE POISSONS RATIOS ACTA metaLL MATER  42 (4): 1289-1294 APR 1994

AGARWAL, RK, SARIN, RK   SYNTHESIS AND CHARACTERIZATION OF LANTHANIDE(III) PERCHLORATE COMPLEXES OF 4[(N-4-DIMETHYLAMINOBENZALIDENE)AMINO]ANTIPYRINE SYN REACT INORG MET  24 (2): 185-199 1994

BAUGHMAN, RH, GALVAO, DS   CRYSTALLINE NETWORKS WITH UNUSUAL PREDICTED MECHANICAL AND THERMAL-PROPERTIES NATURE  365 (6448): 735-737 OCT 21 1993

CHEN, CP, LAKES, RS   VISCOELASTIC BEHAVIOR OF COMPOSITE-MATERIALS WITH CONVENTIONAL-POISSON-RATIO OR NEGATIVE-POISSON-RATIO FOAM AS ONE-PHASE J MATER SCI  28 (16): 4288-4298 AUG 15 1993

LAKES, RS, ELMS, K   INDENTABILITY OF CONVENTIONAL AND NEGATIVE POISSONS RATIO FOAMS J COMPOS MATER  27 (12): 1193-1202 1993

NKANSAH, MA, EVANS, KE, HUTCHINSON, IJ   MODELING THE EFFECTS OF NEGATIVE POISSONS RATIOS IN CONTINUOUS-FIBER COMPOSITES J MATER SCI  28 (10): 2687-2692 MAY 15 1993

LAKES, R   ADVANCES IN NEGATIVE POISSONS RATIO MATERIALS ADV MATER  5 (4): 293-296 APR 1993

LAKES, RS   SAINT-VENANT END EFFECTS FOR MATERIALS WITH NEGATIVE POISSONS RATIOS J APPL MECH-T ASME  59 (4): 744-746 DEC 1992

EVANS, KE, ALDERSON, KL   THE STATIC AND DYNAMIC MODULI OF AUXETIC MICROPOROUS POLYETHYLENE J MATER SCI LETT  11 (24): 1721-1724 DEC 15 1992

CHOI, JB, LAKES, RS   NONLINEAR PROPERTIES OF metaLLIC CELLULAR MATERIALS WITH A NEGATIVE POISSON RATIO J MATER SCI  27 (19): 5375-5381 OCT 1 1992

CHOI, JB, LAKES, RS   NONLINEAR PROPERTIES OF POLYMER CELLULAR MATERIALS WITH A NEGATIVE POISSON RATIO J MATER SCI  27 (17): 4678-4684 SEP 1 1992

YEGANEHHAERI, A, WEIDNER, DJ, PARISE, JB   ELASTICITY OF ALPHA-CRISTOBALITE - A SILICON DIOXIDE WITH A NEGATIVE POISSONS RATIO SCIENCE  257 (5070): 650-652 JUL 31 1992

MILTON, GW   COMPOSITE-MATERIALS WITH POISSON RATIOS CLOSE TO -1 J MECH PHYS SOLIDS  40 (5): 1105-1137 JUL 1992

SHERBOURNE, AN, PANDEY, MD   EFFECTS OF INPLANE RESTRAINTS ON THE STABILITY OF LAMINATED COMPOSITE PLATES COMPOS STRUCT  20 (2): 73-81 1992

EVANS, KE   AUXETIC POLYMERS - A NEW RANGE OF MATERIALS ENDEAVOUR  15 (4): 170-174 1991

ROTHENBURG, L, BERLIN, AA, BATHURST, RJ   MICROSTRUCTURE OF ISOTROPIC MATERIALS WITH NEGATIVE POISSON RATIO NATURE  354 (6353): 470-472 DEC 12 1991

CHEN, CP, LAKES, RS   HOLOGRAPHIC STUDY OF CONVENTIONAL AND NEGATIVE POISSON RATIO metaLLIC FOAMS - ELASTICITY, YIELD AND MICRO-DEFORMATION J MATER SCI  26 (20): 5397-5402 OCT 15 1991

CHOI, JB, LAKES, RS   DESIGN OF A FASTENER BASED ON NEGATIVE POISSONS RATIO FOAM CELL POLYM  10 (3): 205-212 1991

LAKES, R   DEFORMATION MECHANISMS IN NEGATIVE POISSON RATIO MATERIALS - STRUCTURAL ASPECTS J MATER SCI  26 (9): 2287-2292 MAY 1 1991

Lakes, R. Experimental micro mechanics methods for conventional and negative Poisson's ratio cellular solids as Cosserat continua Transactions of the  ASME.  Journal  of  Engineering  Materials  and  Technology. Jan. 1991; 113(1): 148  55

Hirotsu,  S. Softening of bulk modulus and negative Poisson's ratio near the volume phase transition of polymer gels Journal  of  Chemical  Physics. 1 March 1991; 94(5): 3949  57

Warren,  T.  L. Negative Poisson's ratio in a transversely isotropic foam structure Journal  of  Applied  Physics. 15 June 1990; 67(12): 7591  4

Evans,  K.  E.; Caddock,  B.  D. Microporous materials with negative Poisson's ratios. II. Mechanisms and interpretation Journal  of  Physics  D  Applied  Physics. 14 Dec. 1989; 22(12): 1883  7

Caddock,  B.  D.; Evans,  K.  E. Microporous materials with negative Poisson's ratios. I. Microstructure and mechanical properties Journal  of  Physics  D  Applied  Physics. 14 Dec. 1989; 22(12): 1877  82

Lipsett,  A.  W.; Beltzer,  A.  I. Reexamination of dynamic problems of elasticity for negative Poisson's ratio Journal  of  the  Acoustical  Society  of  America. Dec. 1988; 84(6): 2179  86

Friis,  E.  A.; Lakes,  R.  S.; Park,  J.  B. Negative Poisson's ratio polymeric and metallic foams Journal  of  Materials  Science. Dec. 1988; 23(12): 4406  14

Bordia,  R.  K.; Scherer,  G.  W. On constrained sintering. II. Comparison of constitutive models Acta  Metallurgica. Sept. 1988; 36(9): 2399  409

Bathurst,  R.  J.; Rothenburg,  L. Note on a random isotropic granular material with negative Poisson's ratio International  Journal  of  Engineering  Science. 1988; 26(4): 373  83

Lakes,  R. S., Foam structures with a negative Poisson's ratio, Science  27 Feb. 1987; 235(4792): 1038  - 40
A novel foam structure is presented, which exhibits a negative Poisson's ratio. Such a material expands laterally when stretched, in contrast to ordinary materials.

Almgren, R. F. An isotropic three  dimensional structure with Poisson's ratio = - 1 Journal  of  Elasticity. 1985; 15(4): 427-30
This presents a plan for a structure of rods, hinges, and springs

The elasticity book by Love adduces a report of iron pyrites single crystal. Single crystals are anisotropic. They can attain negative Poisson's ratio via coupling with anisotropic deformation.

Yet more references on auxetic materials with a negative Poisson's ratio, 2005-2012.
  Poisson main     Original article     Causal mechanisms     Chiral lattices     Synthesis method     Advances     Structural hierarchy     End effects     Fastener     Work by others